TR1 - 90° reducing tee
PVC pressure fittings.
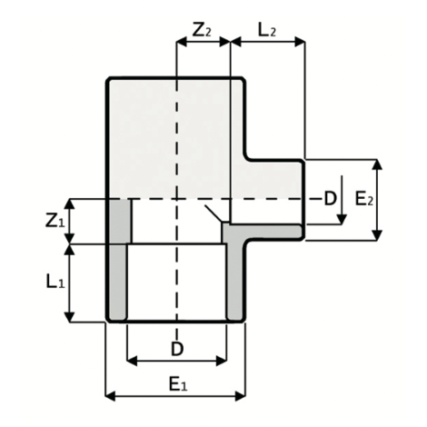
90° reducing tee with reduced branch and solvent weld sockets.
PVC (polyvinyl chloride) fittings for use in pressurised Irrigation Systems, water adduction, chemical installations and for water treatment in general.
| Reference | Name | product.detail.attribute.technicalFeatures | dimensionalTable | Main category | Subcategory | Sub sub category | system | Category | family | series | Material | division | subfamily | D x D | PN | L1 | L2 |
Z1 | Z2 | E1 |
E2 |
g |
|---|---|---|---|---|---|---|---|---|---|---|---|---|---|---|---|---|---|---|---|---|---|---|
| 1RTR111F00NL | TR1 - 90° reducing tee | Size range: d 12 ÷ d 315 mm Nominal pressure: PN 16 with water at 20 °C up to d 160 mm, PN 10 from d 180 to d 315 Temperature range: 0 °C ÷ 60 °C Reference standards: ISO 727, EN ISO 1452-3, EN ISO 15493, BS 4346-1, UNI EN 10226-1 Fitting material: PVC-U Seal material: Gaskets in EPDM, on request FKM Reinforcing rings (TM3, GM3, MM3, RM3) in stainless steel AISI 430 | - | PVC-U system | Ball valves | TKD DN 10÷50 | PVC-U system | Pressure Fittings | Sistema PVC-U | Tee fittings | PVC-U | Sistema PVC-U | Tubo y accesorios PVC-U presión | 110 x 50 | 16 | 61 | 31 | 61 | 61 | 133 | 61 | 1580 |
| 1RTR111G00NL | TR1 - 90° reducing tee | Size range: d 12 ÷ d 315 mm Nominal pressure: PN 16 with water at 20 °C up to d 160 mm, PN 10 from d 180 to d 315 Temperature range: 0 °C ÷ 60 °C Reference standards: ISO 727, EN ISO 1452-3, EN ISO 15493, BS 4346-1, UNI EN 10226-1 Fitting material: PVC-U Seal material: Gaskets in EPDM, on request FKM Reinforcing rings (TM3, GM3, MM3, RM3) in stainless steel AISI 430 | - | PVC-U system | Ball valves | TKD DN 10÷50 | PVC-U system | Pressure Fittings | Sistema PVC-U | Tee fittings | PVC-U | Sistema PVC-U | Tubo y accesorios PVC-U presión | 110 x 63 | 16 | 61 | 38 | 61 | 61 | 133 | 76 | 1590 |
| 1RTR111H00NL | TR1 - 90° reducing tee | Size range: d 12 ÷ d 315 mm Nominal pressure: PN 16 with water at 20 °C up to d 160 mm, PN 10 from d 180 to d 315 Temperature range: 0 °C ÷ 60 °C Reference standards: ISO 727, EN ISO 1452-3, EN ISO 15493, BS 4346-1, UNI EN 10226-1 Fitting material: PVC-U Seal material: Gaskets in EPDM, on request FKM Reinforcing rings (TM3, GM3, MM3, RM3) in stainless steel AISI 430 | - | PVC-U system | Ball valves | TKD DN 10÷50 | PVC-U system | Pressure Fittings | Sistema PVC-U | Tee fittings | PVC-U | Sistema PVC-U | Tubo y accesorios PVC-U presión | 110 x 75 | 16 | 61 | 44 | 61 | 61 | 133 | 91 | 1610 |
| 1RTR111I00NL | TR1 - 90° reducing tee | Size range: d 12 ÷ d 315 mm Nominal pressure: PN 16 with water at 20 °C up to d 160 mm, PN 10 from d 180 to d 315 Temperature range: 0 °C ÷ 60 °C Reference standards: ISO 727, EN ISO 1452-3, EN ISO 15493, BS 4346-1, UNI EN 10226-1 Fitting material: PVC-U Seal material: Gaskets in EPDM, on request FKM Reinforcing rings (TM3, GM3, MM3, RM3) in stainless steel AISI 430 | - | PVC-U system | Ball valves | TKD DN 10÷50 | PVC-U system | Pressure Fittings | Sistema PVC-U | Tee fittings | PVC-U | Sistema PVC-U | Tubo y accesorios PVC-U presión | 110 x 90 | 16 | 61 | 51 | 61 | 61 | 133 | 109 | 1640 |
| 1RTR117L00 | TR1 - 90° reducing tee | Size range: d 12 ÷ d 315 mm Nominal pressure: PN 16 with water at 20 °C up to d 160 mm, PN 10 from d 180 to d 315 Temperature range: 0 °C ÷ 60 °C Reference standards: ISO 727, EN ISO 1452-3, EN ISO 15493, BS 4346-1, UNI EN 10226-1 Fitting material: PVC-U Seal material: Gaskets in EPDM, on request FKM Reinforcing rings (TM3, GM3, MM3, RM3) in stainless steel AISI 430 | - | PVC-U system | Ball valves | TKD DN 10÷50 | PVC-U system | Pressure Fittings | Sistema PVC-U | Tee fittings | PVC-U | Sistema PVC-U | Tubo y accesorios PVC-U presión | 160 x 110 | 16 | 86 | 61 | 82 | 57 | 187 | 131 | 3744 |
| 1RTR120A00 | TR1 - 90° reducing tee | Size range: d 12 ÷ d 315 mm Nominal pressure: PN 16 with water at 20 °C up to d 160 mm, PN 10 from d 180 to d 315 Temperature range: 0 °C ÷ 60 °C Reference standards: ISO 727, EN ISO 1452-3, EN ISO 15493, BS 4346-1, UNI EN 10226-1 Fitting material: PVC-U Seal material: Gaskets in EPDM, on request FKM Reinforcing rings (TM3, GM3, MM3, RM3) in stainless steel AISI 430 | - | PVC-U system | Ball valves | TKD DN 10÷50 | PVC-U system | Pressure Fittings | Sistema PVC-U | Tee fittings | PVC-U | Sistema PVC-U | Tubo y accesorios PVC-U presión | 20 x 16 | 16 | 16 | 14 | 11 | 11 | 28 | 23 | 30 |
| 1RTR125A00 | TR1 - 90° reducing tee | Size range: d 12 ÷ d 315 mm Nominal pressure: PN 16 with water at 20 °C up to d 160 mm, PN 10 from d 180 to d 315 Temperature range: 0 °C ÷ 60 °C Reference standards: ISO 727, EN ISO 1452-3, EN ISO 15493, BS 4346-1, UNI EN 10226-1 Fitting material: PVC-U Seal material: Gaskets in EPDM, on request FKM Reinforcing rings (TM3, GM3, MM3, RM3) in stainless steel AISI 430 | - | PVC-U system | Ball valves | TKD DN 10÷50 | PVC-U system | Pressure Fittings | Sistema PVC-U | Tee fittings | PVC-U | Sistema PVC-U | Tubo y accesorios PVC-U presión | 25 x 16 | 16 | 19 | 14 | 14 | 14 | 34 | 23 | 45 |
| 1RTR125B00 | TR1 - 90° reducing tee | Size range: d 12 ÷ d 315 mm Nominal pressure: PN 16 with water at 20 °C up to d 160 mm, PN 10 from d 180 to d 315 Temperature range: 0 °C ÷ 60 °C Reference standards: ISO 727, EN ISO 1452-3, EN ISO 15493, BS 4346-1, UNI EN 10226-1 Fitting material: PVC-U Seal material: Gaskets in EPDM, on request FKM Reinforcing rings (TM3, GM3, MM3, RM3) in stainless steel AISI 430 | - | PVC-U system | Ball valves | TKD DN 10÷50 | PVC-U system | Pressure Fittings | Sistema PVC-U | Tee fittings | PVC-U | Sistema PVC-U | Tubo y accesorios PVC-U presión | 25 x 20 | 16 | 19 | 16 | 14 | 14 | 34 | 28 | 45 |
| 1RTR132A00 | TR1 - 90° reducing tee | Size range: d 12 ÷ d 315 mm Nominal pressure: PN 16 with water at 20 °C up to d 160 mm, PN 10 from d 180 to d 315 Temperature range: 0 °C ÷ 60 °C Reference standards: ISO 727, EN ISO 1452-3, EN ISO 15493, BS 4346-1, UNI EN 10226-1 Fitting material: PVC-U Seal material: Gaskets in EPDM, on request FKM Reinforcing rings (TM3, GM3, MM3, RM3) in stainless steel AISI 430 | - | PVC-U system | Ball valves | TKD DN 10÷50 | PVC-U system | Pressure Fittings | Sistema PVC-U | Tee fittings | PVC-U | Sistema PVC-U | Tubo y accesorios PVC-U presión | 32 x 16 | 16 | 22 | 14 | 17 | 17 | 42 | 23 | 65 |
| 1RTR132B00NL | TR1 - 90° reducing tee | Size range: d 12 ÷ d 315 mm Nominal pressure: PN 16 with water at 20 °C up to d 160 mm, PN 10 from d 180 to d 315 Temperature range: 0 °C ÷ 60 °C Reference standards: ISO 727, EN ISO 1452-3, EN ISO 15493, BS 4346-1, UNI EN 10226-1 Fitting material: PVC-U Seal material: Gaskets in EPDM, on request FKM Reinforcing rings (TM3, GM3, MM3, RM3) in stainless steel AISI 430 | - | PVC-U system | Ball valves | TKD DN 10÷50 | PVC-U system | Pressure Fittings | Sistema PVC-U | Tee fittings | PVC-U | Sistema PVC-U | Tubo y accesorios PVC-U presión | 32 x 20 | 16 | 22 | 16 | 17 | 17 | 41 | 28 | 60 |
| 1RTR132C00 | TR1 - 90° reducing tee | Size range: d 12 ÷ d 315 mm Nominal pressure: PN 16 with water at 20 °C up to d 160 mm, PN 10 from d 180 to d 315 Temperature range: 0 °C ÷ 60 °C Reference standards: ISO 727, EN ISO 1452-3, EN ISO 15493, BS 4346-1, UNI EN 10226-1 Fitting material: PVC-U Seal material: Gaskets in EPDM, on request FKM Reinforcing rings (TM3, GM3, MM3, RM3) in stainless steel AISI 430 | - | PVC-U system | Ball valves | TKD DN 10÷50 | PVC-U system | Pressure Fittings | Sistema PVC-U | Tee fittings | PVC-U | Sistema PVC-U | Tubo y accesorios PVC-U presión | 32 x 25 | 16 | 22 | 19 | 17 | 17 | 42 | 34 | 65 |
| 1RTR140A00 | TR1 - 90° reducing tee | Size range: d 12 ÷ d 315 mm Nominal pressure: PN 16 with water at 20 °C up to d 160 mm, PN 10 from d 180 to d 315 Temperature range: 0 °C ÷ 60 °C Reference standards: ISO 727, EN ISO 1452-3, EN ISO 15493, BS 4346-1, UNI EN 10226-1 Fitting material: PVC-U Seal material: Gaskets in EPDM, on request FKM Reinforcing rings (TM3, GM3, MM3, RM3) in stainless steel AISI 430 | - | PVC-U system | Ball valves | TKD DN 10÷50 | PVC-U system | Pressure Fittings | Sistema PVC-U | Tee fittings | PVC-U | Sistema PVC-U | Tubo y accesorios PVC-U presión | 40 x 16 | 16 | 26 | 14 | 21 | 21 | 51 | 23 | 105 |
| 1RTR140B00 | TR1 - 90° reducing tee | Size range: d 12 ÷ d 315 mm Nominal pressure: PN 16 with water at 20 °C up to d 160 mm, PN 10 from d 180 to d 315 Temperature range: 0 °C ÷ 60 °C Reference standards: ISO 727, EN ISO 1452-3, EN ISO 15493, BS 4346-1, UNI EN 10226-1 Fitting material: PVC-U Seal material: Gaskets in EPDM, on request FKM Reinforcing rings (TM3, GM3, MM3, RM3) in stainless steel AISI 430 | - | PVC-U system | Ball valves | TKD DN 10÷50 | PVC-U system | Pressure Fittings | Sistema PVC-U | Tee fittings | PVC-U | Sistema PVC-U | Tubo y accesorios PVC-U presión | 40 x 20 | 16 | 26 | 16 | 21 | 21 | 51 | 28 | 110 |
| 1RTR140C00 | TR1 - 90° reducing tee | Size range: d 12 ÷ d 315 mm Nominal pressure: PN 16 with water at 20 °C up to d 160 mm, PN 10 from d 180 to d 315 Temperature range: 0 °C ÷ 60 °C Reference standards: ISO 727, EN ISO 1452-3, EN ISO 15493, BS 4346-1, UNI EN 10226-1 Fitting material: PVC-U Seal material: Gaskets in EPDM, on request FKM Reinforcing rings (TM3, GM3, MM3, RM3) in stainless steel AISI 430 | - | PVC-U system | Ball valves | TKD DN 10÷50 | PVC-U system | Pressure Fittings | Sistema PVC-U | Tee fittings | PVC-U | Sistema PVC-U | Tubo y accesorios PVC-U presión | 40 x 25 | 16 | 26 | 19 | 21 | 21 | 51 | 34 | 110 |
| 1RTR140D00 | TR1 - 90° reducing tee | Size range: d 12 ÷ d 315 mm Nominal pressure: PN 16 with water at 20 °C up to d 160 mm, PN 10 from d 180 to d 315 Temperature range: 0 °C ÷ 60 °C Reference standards: ISO 727, EN ISO 1452-3, EN ISO 15493, BS 4346-1, UNI EN 10226-1 Fitting material: PVC-U Seal material: Gaskets in EPDM, on request FKM Reinforcing rings (TM3, GM3, MM3, RM3) in stainless steel AISI 430 | - | PVC-U system | Ball valves | TKD DN 10÷50 | PVC-U system | Pressure Fittings | Sistema PVC-U | Tee fittings | PVC-U | Sistema PVC-U | Tubo y accesorios PVC-U presión | 40 x 32 | 16 | 26 | 22 | 21 | 21 | 51 | 42 | 110 |
| 1RTR150B00 | TR1 - 90° reducing tee | Size range: d 12 ÷ d 315 mm Nominal pressure: PN 16 with water at 20 °C up to d 160 mm, PN 10 from d 180 to d 315 Temperature range: 0 °C ÷ 60 °C Reference standards: ISO 727, EN ISO 1452-3, EN ISO 15493, BS 4346-1, UNI EN 10226-1 Fitting material: PVC-U Seal material: Gaskets in EPDM, on request FKM Reinforcing rings (TM3, GM3, MM3, RM3) in stainless steel AISI 430 | - | PVC-U system | Ball valves | TKD DN 10÷50 | PVC-U system | Pressure Fittings | Sistema PVC-U | Tee fittings | PVC-U | Sistema PVC-U | Tubo y accesorios PVC-U presión | 50 x 20 | 16 | 31 | 16 | 26 | 26 | 61 | 29 | 180 |
| 1RTR150C00 | TR1 - 90° reducing tee | Size range: d 12 ÷ d 315 mm Nominal pressure: PN 16 with water at 20 °C up to d 160 mm, PN 10 from d 180 to d 315 Temperature range: 0 °C ÷ 60 °C Reference standards: ISO 727, EN ISO 1452-3, EN ISO 15493, BS 4346-1, UNI EN 10226-1 Fitting material: PVC-U Seal material: Gaskets in EPDM, on request FKM Reinforcing rings (TM3, GM3, MM3, RM3) in stainless steel AISI 430 | - | PVC-U system | Ball valves | TKD DN 10÷50 | PVC-U system | Pressure Fittings | Sistema PVC-U | Tee fittings | PVC-U | Sistema PVC-U | Tubo y accesorios PVC-U presión | 50 x 25 | 16 | 31 | 19 | 26 | 26 | 61 | 35 | 182 |
| 1RTR150D00 | TR1 - 90° reducing tee | Size range: d 12 ÷ d 315 mm Nominal pressure: PN 16 with water at 20 °C up to d 160 mm, PN 10 from d 180 to d 315 Temperature range: 0 °C ÷ 60 °C Reference standards: ISO 727, EN ISO 1452-3, EN ISO 15493, BS 4346-1, UNI EN 10226-1 Fitting material: PVC-U Seal material: Gaskets in EPDM, on request FKM Reinforcing rings (TM3, GM3, MM3, RM3) in stainless steel AISI 430 | - | PVC-U system | Ball valves | TKD DN 10÷50 | PVC-U system | Pressure Fittings | Sistema PVC-U | Tee fittings | PVC-U | Sistema PVC-U | Tubo y accesorios PVC-U presión | 50 x 32 | 16 | 31 | 22 | 26 | 26 | 61 | 42 | 183 |
| 1RTR150E00 | TR1 - 90° reducing tee | Size range: d 12 ÷ d 315 mm Nominal pressure: PN 16 with water at 20 °C up to d 160 mm, PN 10 from d 180 to d 315 Temperature range: 0 °C ÷ 60 °C Reference standards: ISO 727, EN ISO 1452-3, EN ISO 15493, BS 4346-1, UNI EN 10226-1 Fitting material: PVC-U Seal material: Gaskets in EPDM, on request FKM Reinforcing rings (TM3, GM3, MM3, RM3) in stainless steel AISI 430 | - | PVC-U system | Ball valves | TKD DN 10÷50 | PVC-U system | Pressure Fittings | Sistema PVC-U | Tee fittings | PVC-U | Sistema PVC-U | Tubo y accesorios PVC-U presión | 50 x 40 | 16 | 31 | 26 | 26 | 26 | 61 | 51 | 184 |
| 1RTR163B00 | TR1 - 90° reducing tee | Size range: d 12 ÷ d 315 mm Nominal pressure: PN 16 with water at 20 °C up to d 160 mm, PN 10 from d 180 to d 315 Temperature range: 0 °C ÷ 60 °C Reference standards: ISO 727, EN ISO 1452-3, EN ISO 15493, BS 4346-1, UNI EN 10226-1 Fitting material: PVC-U Seal material: Gaskets in EPDM, on request FKM Reinforcing rings (TM3, GM3, MM3, RM3) in stainless steel AISI 430 | - | PVC-U system | Ball valves | TKD DN 10÷50 | PVC-U system | Pressure Fittings | Sistema PVC-U | Tee fittings | PVC-U | Sistema PVC-U | Tubo y accesorios PVC-U presión | 63 x 20 | 16 | 38 | 16 | 33 | 33 | 75 | 28 | 275 |
| 1RTR163C00 | TR1 - 90° reducing tee | Size range: d 12 ÷ d 315 mm Nominal pressure: PN 16 with water at 20 °C up to d 160 mm, PN 10 from d 180 to d 315 Temperature range: 0 °C ÷ 60 °C Reference standards: ISO 727, EN ISO 1452-3, EN ISO 15493, BS 4346-1, UNI EN 10226-1 Fitting material: PVC-U Seal material: Gaskets in EPDM, on request FKM Reinforcing rings (TM3, GM3, MM3, RM3) in stainless steel AISI 430 | - | PVC-U system | Ball valves | TKD DN 10÷50 | PVC-U system | Pressure Fittings | Sistema PVC-U | Tee fittings | PVC-U | Sistema PVC-U | Tubo y accesorios PVC-U presión | 63 x 25 | 16 | 38 | 19 | 33 | 33 | 75 | 36 | 304 |
| 1RTR163D00 | TR1 - 90° reducing tee | Size range: d 12 ÷ d 315 mm Nominal pressure: PN 16 with water at 20 °C up to d 160 mm, PN 10 from d 180 to d 315 Temperature range: 0 °C ÷ 60 °C Reference standards: ISO 727, EN ISO 1452-3, EN ISO 15493, BS 4346-1, UNI EN 10226-1 Fitting material: PVC-U Seal material: Gaskets in EPDM, on request FKM Reinforcing rings (TM3, GM3, MM3, RM3) in stainless steel AISI 430 | - | PVC-U system | Ball valves | TKD DN 10÷50 | PVC-U system | Pressure Fittings | Sistema PVC-U | Tee fittings | PVC-U | Sistema PVC-U | Tubo y accesorios PVC-U presión | 63 x 32 | 16 | 38 | 22 | 33 | 33 | 75 | 43 | 306 |
| 1RTR163E00 | TR1 - 90° reducing tee | Size range: d 12 ÷ d 315 mm Nominal pressure: PN 16 with water at 20 °C up to d 160 mm, PN 10 from d 180 to d 315 Temperature range: 0 °C ÷ 60 °C Reference standards: ISO 727, EN ISO 1452-3, EN ISO 15493, BS 4346-1, UNI EN 10226-1 Fitting material: PVC-U Seal material: Gaskets in EPDM, on request FKM Reinforcing rings (TM3, GM3, MM3, RM3) in stainless steel AISI 430 | - | PVC-U system | Ball valves | TKD DN 10÷50 | PVC-U system | Pressure Fittings | Sistema PVC-U | Tee fittings | PVC-U | Sistema PVC-U | Tubo y accesorios PVC-U presión | 63 x 40 | 16 | 38 | 26 | 33 | 33 | 75 | 52 | 313 |
| 1RTR163F00 | TR1 - 90° reducing tee | Size range: d 12 ÷ d 315 mm Nominal pressure: PN 16 with water at 20 °C up to d 160 mm, PN 10 from d 180 to d 315 Temperature range: 0 °C ÷ 60 °C Reference standards: ISO 727, EN ISO 1452-3, EN ISO 15493, BS 4346-1, UNI EN 10226-1 Fitting material: PVC-U Seal material: Gaskets in EPDM, on request FKM Reinforcing rings (TM3, GM3, MM3, RM3) in stainless steel AISI 430 | - | PVC-U system | Ball valves | TKD DN 10÷50 | PVC-U system | Pressure Fittings | Sistema PVC-U | Tee fittings | PVC-U | Sistema PVC-U | Tubo y accesorios PVC-U presión | 63 x 50 | 16 | 38 | 31 | 33 | 33 | 75 | 62 | 325 |
| 1RTR175D00NL | TR1 - 90° reducing tee | Size range: d 12 ÷ d 315 mm Nominal pressure: PN 16 with water at 20 °C up to d 160 mm, PN 10 from d 180 to d 315 Temperature range: 0 °C ÷ 60 °C Reference standards: ISO 727, EN ISO 1452-3, EN ISO 15493, BS 4346-1, UNI EN 10226-1 Fitting material: PVC-U Seal material: Gaskets in EPDM, on request FKM Reinforcing rings (TM3, GM3, MM3, RM3) in stainless steel AISI 430 | - | PVC-U system | Ball valves | TKD DN 10÷50 | PVC-U system | Pressure Fittings | Sistema PVC-U | Tee fittings | PVC-U | Sistema PVC-U | Tubo y accesorios PVC-U presión | 75 x 32 | 16 | 44 | 22 | 40 | 40 | 91 | 41 | 530 |
| 1RTR175E00NL | TR1 - 90° reducing tee | Size range: d 12 ÷ d 315 mm Nominal pressure: PN 16 with water at 20 °C up to d 160 mm, PN 10 from d 180 to d 315 Temperature range: 0 °C ÷ 60 °C Reference standards: ISO 727, EN ISO 1452-3, EN ISO 15493, BS 4346-1, UNI EN 10226-1 Fitting material: PVC-U Seal material: Gaskets in EPDM, on request FKM Reinforcing rings (TM3, GM3, MM3, RM3) in stainless steel AISI 430 | - | PVC-U system | Ball valves | TKD DN 10÷50 | PVC-U system | Pressure Fittings | Sistema PVC-U | Tee fittings | PVC-U | Sistema PVC-U | Tubo y accesorios PVC-U presión | 75 x 40 | 16 | 44 | 26 | 40 | 40 | 91 | 50 | 540 |
| 1RTR175F00NL | TR1 - 90° reducing tee | Size range: d 12 ÷ d 315 mm Nominal pressure: PN 16 with water at 20 °C up to d 160 mm, PN 10 from d 180 to d 315 Temperature range: 0 °C ÷ 60 °C Reference standards: ISO 727, EN ISO 1452-3, EN ISO 15493, BS 4346-1, UNI EN 10226-1 Fitting material: PVC-U Seal material: Gaskets in EPDM, on request FKM Reinforcing rings (TM3, GM3, MM3, RM3) in stainless steel AISI 430 | - | PVC-U system | Ball valves | TKD DN 10÷50 | PVC-U system | Pressure Fittings | Sistema PVC-U | Tee fittings | PVC-U | Sistema PVC-U | Tubo y accesorios PVC-U presión | 75 x 50 | 16 | 44 | 31 | 40 | 40 | 91 | 61 | 550 |
| 1RTR175G00NL | TR1 - 90° reducing tee | Size range: d 12 ÷ d 315 mm Nominal pressure: PN 16 with water at 20 °C up to d 160 mm, PN 10 from d 180 to d 315 Temperature range: 0 °C ÷ 60 °C Reference standards: ISO 727, EN ISO 1452-3, EN ISO 15493, BS 4346-1, UNI EN 10226-1 Fitting material: PVC-U Seal material: Gaskets in EPDM, on request FKM Reinforcing rings (TM3, GM3, MM3, RM3) in stainless steel AISI 430 | - | PVC-U system | Ball valves | TKD DN 10÷50 | PVC-U system | Pressure Fittings | Sistema PVC-U | Tee fittings | PVC-U | Sistema PVC-U | Tubo y accesorios PVC-U presión | 75 x 63 | 16 | 44 | 38 | 40 | 40 | 91 | 76 | 580 |
| 1RTR190E00NL | TR1 - 90° reducing tee | Size range: d 12 ÷ d 315 mm Nominal pressure: PN 16 with water at 20 °C up to d 160 mm, PN 10 from d 180 to d 315 Temperature range: 0 °C ÷ 60 °C Reference standards: ISO 727, EN ISO 1452-3, EN ISO 15493, BS 4346-1, UNI EN 10226-1 Fitting material: PVC-U Seal material: Gaskets in EPDM, on request FKM Reinforcing rings (TM3, GM3, MM3, RM3) in stainless steel AISI 430 | - | PVC-U system | Ball valves | TKD DN 10÷50 | PVC-U system | Pressure Fittings | Sistema PVC-U | Tee fittings | PVC-U | Sistema PVC-U | Tubo y accesorios PVC-U presión | 90 x 40 | 16 | 51 | 26 | 48 | 48 | 109 | 50 | 870 |
| 1RTR190F00NL | TR1 - 90° reducing tee | Size range: d 12 ÷ d 315 mm Nominal pressure: PN 16 with water at 20 °C up to d 160 mm, PN 10 from d 180 to d 315 Temperature range: 0 °C ÷ 60 °C Reference standards: ISO 727, EN ISO 1452-3, EN ISO 15493, BS 4346-1, UNI EN 10226-1 Fitting material: PVC-U Seal material: Gaskets in EPDM, on request FKM Reinforcing rings (TM3, GM3, MM3, RM3) in stainless steel AISI 430 | - | PVC-U system | Ball valves | TKD DN 10÷50 | PVC-U system | Pressure Fittings | Sistema PVC-U | Tee fittings | PVC-U | Sistema PVC-U | Tubo y accesorios PVC-U presión | 90 x 50 | 16 | 51 | 31 | 48 | 48 | 109 | 61 | 880 |
| 1RTR190G00NL | TR1 - 90° reducing tee | Size range: d 12 ÷ d 315 mm Nominal pressure: PN 16 with water at 20 °C up to d 160 mm, PN 10 from d 180 to d 315 Temperature range: 0 °C ÷ 60 °C Reference standards: ISO 727, EN ISO 1452-3, EN ISO 15493, BS 4346-1, UNI EN 10226-1 Fitting material: PVC-U Seal material: Gaskets in EPDM, on request FKM Reinforcing rings (TM3, GM3, MM3, RM3) in stainless steel AISI 430 | - | PVC-U system | Ball valves | TKD DN 10÷50 | PVC-U system | Pressure Fittings | Sistema PVC-U | Tee fittings | PVC-U | Sistema PVC-U | Tubo y accesorios PVC-U presión | 90 x 63 | 16 | 51 | 38 | 48 | 48 | 109 | 76 | 900 |
| 1RTR190H00NL | TR1 - 90° reducing tee | Size range: d 12 ÷ d 315 mm Nominal pressure: PN 16 with water at 20 °C up to d 160 mm, PN 10 from d 180 to d 315 Temperature range: 0 °C ÷ 60 °C Reference standards: ISO 727, EN ISO 1452-3, EN ISO 15493, BS 4346-1, UNI EN 10226-1 Fitting material: PVC-U Seal material: Gaskets in EPDM, on request FKM Reinforcing rings (TM3, GM3, MM3, RM3) in stainless steel AISI 430 | - | PVC-U system | Ball valves | TKD DN 10÷50 | PVC-U system | Pressure Fittings | Sistema PVC-U | Tee fittings | PVC-U | Sistema PVC-U | Tubo y accesorios PVC-U presión | 90 x 75 | 16 | 51 | 44 | 48 | 48 | 109 | 91 | 940 |
- Size range:
-
- d 12 ÷ d 315 mm
- Nominal pressure:
- PN 16 with water at 20 °C up to d 160 mm, PN 10 from d 180 to d 315
- Temperature range: 0 °C ÷ 60 °C
- Reference standards:
- ISO 727, EN ISO 1452-3, EN ISO 15493, BS 4346-1, UNI EN 10226-1
- Fitting material: PVC-U
- Seal material:
- Gaskets in EPDM, on request FKM
- Reinforcing rings (TM3, GM3, MM3, RM3) in stainless steel AISI 430
Downloads
ASTORE Technical Catalogue